欢迎来到幻影网页版!

产品 中心

DT-7钩秤专用传感器

产品简介:

DT-7钩秤专用传感器为板环式传感器,精度高、安装方便,抗偏载能力强,抗冲击性能好,适应在恶劣环境中工作,适用于制作各种吊秤、料斗秤、包装秤等称重测力设备及过载限位。
  • 组成部分
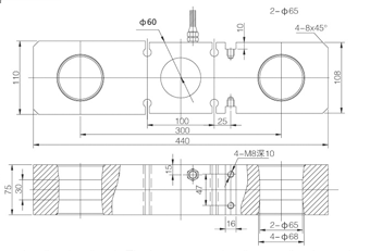
  • 分布图
  • 技术参数

     Main Description

测量范围Capacity

100150

kg

输出灵敏度Rated Output

1.5±0.010

mV/V

非线性Linear

±0.03

%F.S

滞后Hysteresis

±0.03

%F.S

重复性Reapeatability

±0.02

%F.S

蠕变Creep

±0.03

%F.S

零点输出Zero Balance

≤±1.0

%F.S

温度补偿范围 Conpensated Temperature Range

室温~+60

零点温度补偿系数Temperature Effect On Zero

±0.02

%F.S/10

额定输出温度系数 Temperature Effect On Output

±0.02

%F.S/10

供桥电压 Excitation Voltage

10V

AC/DC

绝缘电阻Insulation Resistence

5000

MΩ/100VDC

输入电阻 Input Resistence

390±10

Ω

输出电阻Output Resistence

350±2

Ω

允许过载系数Safe Overload

200

%F.S

电缆连接方式Cable Connection

信号输出Singal Output: 黄:Yellow (+) :Black ()

供桥电压Excitation Voltage: 红Red: (+) 绿Green:(-)

在线订购